Proposed Clinton County

Justice Center

This comprehensive solution prepares Clinton County for future growth with a new detention center and renovated judicial spaces.

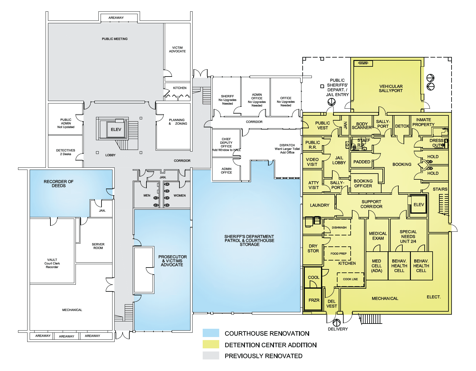
Proposed Justice Center Floor Plan

The proposed Clinton County Justice Center project would include:

  • Adding a new detention center with 56 beds next to the current Courthouse

  • Support services for the new detention center, including kitchen, laundry, booking, and medical spaces

  • Renovating the judicial areas of the Courthouse to create two courtrooms that can better meet Clinton County’s needs

  • Moving the County Clerk, County Recorder, and County Prosecutor to make room for the larger courtrooms, giving these offices much-needed space

  • ADA-compliance throughout the public areas of the Courthouse, including in the jury spaces and public restrooms

Courthouse Upper Level

Courthouse Lower Level

Proposed Site Plan

Project Cost & Financing

  • The proposed Justice Center project would cost $17.1 million

  • The proposed funding mechanism is a 1/4-cent (1/4% or $0.0025 per dollar) countywide sales tax

  • The bonds and sales tax would last for a maximum of 30 years, but the County hopes to pay the project off early

  • Clinton County will go to the polls on April 7, 2026 to decide the outcome on this project